02-09-2016, 11:54 PM
(01-23-2016, 11:32 AM)tllim Wrote:(01-23-2016, 08:37 AM)mischa72 Wrote: Why would you want a toslink if there is spdif? Looking at tests the quality of toslink is not beter than spdif. Maybe a coaxiaal interface would be great, otherwise extract digital audio from HDMI.
Regards,
Mischa
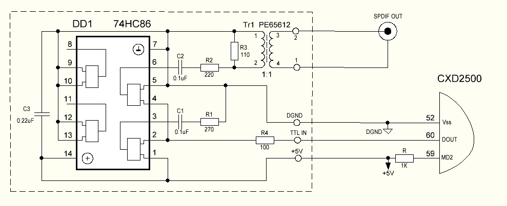
Agreed with Mischa, Hifi folks use coaxial for higher sampling rate and bit resolution. We have start design a board that try to archive 192KHz, 24 bit out at coaxial. It is kind of funny, that copper cable better than optic fiber on this case.
Cheers,
TL Lim
Have you seen what these folks have done? https://www.hifiberry.com
If you're building one TL Lim - sign me up!


![[Image: PicsArt_02-23-08.31.50.png?psid=1]](https://ns4zgw-bn1305.files.1drv.com/y3mkAQa_htCwYXSXktky0OLAiG89Pu5xnXzC95xcOatsobchbg2NXHsjfvncyeSLI-ki4ij1oUGqKmKli8BOXQiMTbLWYhN74IqTh2KbFRup-fPiRfqLpsaYgykOcLBU1Wr1qz9ko2yfZ_pm2Wp7x_fhZ7vf02d4qp6iUDa2sTiypk/PicsArt_02-23-08.31.50.png?psid=1)